О компании
Каталог товаров
Сервис
Условия гарантии
ГАРАНТИЯ
РЕГИСТРАЦИЯ ОБОРУДОВАНИЯ
ЗАКАЗ ЗАПЧАСТЕЙ
ОБРАЩЕНИЕ В СЕРВИС
Регистрация оборудования
Инструкции для скачивания
Видео по сборке и настройке
Техническая поддержка
Заявка в сервис
Найти сервисный центр
Горячая линия с сервисом
Заказ запчастей
Возврат и обмен
База знаний
Вопросы и ответы
Купить
Как купить
Оформить покупку он-лайн
Торгово - сервисные центры
Выбрать дилера
Рассрочка и кредит
Оплата
Программа лояльности
Возврат и обмен
Доставка
Условия доставки
Терминалы выдачи
Самовывоз
Видео
Видео YouTube
Видео Rutube
Видео YouTube
Видео Rutube
Видео пользователей
Видео по сборке и настройке
Видео Дзен
Видео YouTube
Видео Rutube
Видео пользователей
Видео по сборке и настройке
Видео пользователей
Видео по сборке и настройке
Контакты
+7(800)500-27-83
Авторизация
Войти
Регистрация
Главная страница
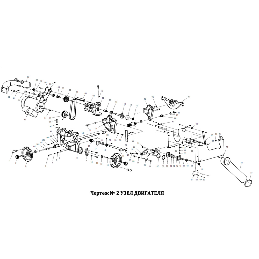
Каталог запчастей
WARRIOR W0700R
WARRIOR W0700R
Модель:
WARRIOR W0700R
Запчасти поставляются только для владельцев нашего оборудования и только в случае замены поврежденных деталей (для ремонта).
При оформлении заказа на запчасти необходимо направить на наш e-mail:
фото серийного номера станка,
фото поврежденной детали.
Скачать схему в PDF
Номер детали
Артикул
Описание
Цена руб.
Кол-во
Номер детали:
1-3
Номер модели:
W0700R #1-3
Описание:
ШТУРВАЛ В СБОРЕ
Цена:
Купить
Номер детали:
69
Номер модели:
W0700R #69
Описание:
КРОНШТЕЙН ЦАПФЫ
Цена:
Купить
Номер детали:
77
Номер модели:
W0700R #77
Описание:
КРОНШТЕЙН ШПИНДЕЛЯ
Цена:
Купить
Номер детали:
209
Номер модели:
W0700R #209
Описание:
ОСНОВНОЙ РАБОЧИЙ СТОЛ
Цена:
Купить
Номер детали:
624
Номер модели:
W0700R/W0708-624
Описание:
РАСКЛИНИВАЮЩИЙ НОЖ
Цена:
Купить
Номер детали:
500
Номер модели:
W0700R#Fencekit
Описание:
Установочный комплект параллельного упора
Цена:
Купить
Скачать схему в PDF
1
28
29
30
31