О компании
Каталог товаров
Сервис
Условия гарантии
ГАРАНТИЯ
РЕГИСТРАЦИЯ ОБОРУДОВАНИЯ
ЗАКАЗ ЗАПЧАСТЕЙ
ОБРАЩЕНИЕ В СЕРВИС
Регистрация оборудования
Инструкции для скачивания
Видео по сборке и настройке
Техническая поддержка
Заявка в сервис
Найти сервисный центр
Горячая линия с сервисом
Заказ запчастей
Возврат и обмен
База знаний
Вопросы и ответы
Купить
Как купить
Оформить покупку он-лайн
Торгово - сервисные центры
Выбрать дилера
Рассрочка и кредит
Оплата
Программа лояльности
Возврат и обмен
Доставка
Условия доставки
Терминалы выдачи
Самовывоз
Видео
Видео YouTube
Видео Rutube
Видео YouTube
Видео Rutube
Видео пользователей
Видео по сборке и настройке
Видео Дзен
Видео YouTube
Видео Rutube
Видео пользователей
Видео по сборке и настройке
Видео пользователей
Видео по сборке и настройке
Контакты
+7(800)500-27-83
Авторизация
Войти
Регистрация
Главная страница
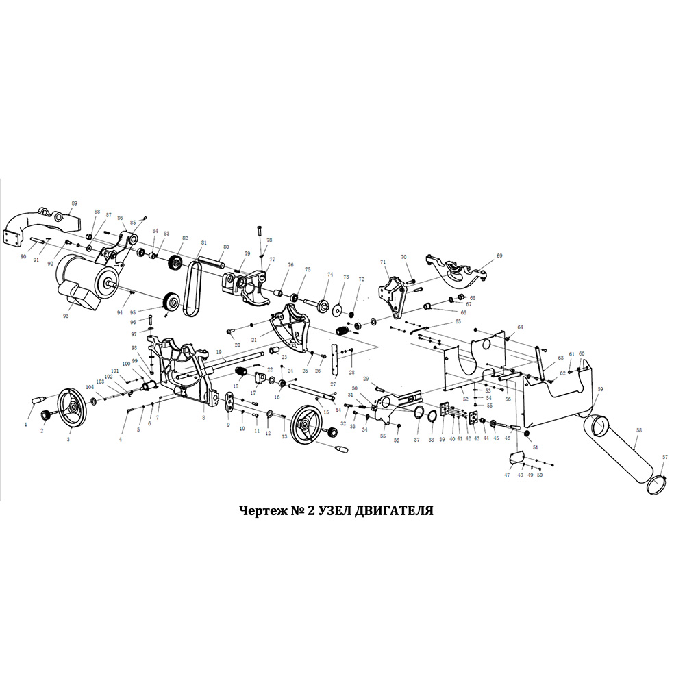
Заказ запчастей
WARRIOR W0700R
Модель:
WARRIOR W0700R
Запчасти поставляются только для владельцев нашего оборудования и только в случае замены поврежденных деталей (для ремонта).
При оформлении заказа на запчасти необходимо направить на наш e-mail:
фото серийного номера станка,
фото поврежденной детали.
Скачать схему в PDF
Номер детали
Артикул
Описание
Цена руб.
Кол-во
Номер детали:
201
Номер модели:
W0700R#201
Описание:
Вставка стола
Цена:
Купить
Номер детали:
202
Номер модели:
W0700R#202
Описание:
Защитная пластина
Цена:
Купить
Номер детали:
203
Номер модели:
W0700R#203
Описание:
Установочный винт M6 x 6
Цена:
Купить
Номер детали:
204
Номер модели:
W0700R#204
Описание:
Установочный винт M6 x 12
Цена:
Купить
Номер детали:
206
Номер модели:
W0700R#206
Описание:
Магнит
Цена:
Купить
Номер детали:
207
Номер модели:
W0700R#207
Описание:
Винт M8 x 35
Цена:
Купить
Номер детали:
208
Номер модели:
W0700R#208
Описание:
Угловой элемент задней направляющей рейки
Цена:
Купить
Номер детали:
209
Номер модели:
W0700R#209
Описание:
Верстак
Цена:
Купить
Скачать схему в PDF
1
2
3
4
31